Product Summary
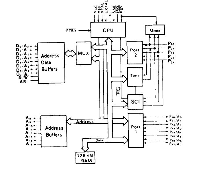
The HD6303RP is an 8-bit CMOS micro processing unit which has the completely compatible instruction set with the HD6301VI. 128 bytes RAM, Serial Communication Interface (SCI), parallel I/O ports and multi function timer are incorporated in the HD6303RP. Ii is bus compatible with HMCS6800 and can be expanded up to 65k bytes. Like the HMCS6800 family, I/O level is TTL compaiible with +5.0V single power supply. As the HD6303RP is CMOS MPU, power dissipation is extremely low, And also the device has Sleep Mode and Stand-by Mode as lower power dissipation mode. Therefore, flexible low power consumption application is possible.
Parametrics
HD6303RP absolute maximum ratings: (1)Supply Voltage, Vcc: -0.3 to +7.0V; (2)Iput Voltage: -0.3 to Vcc +0.3V; (3)Operating Temperature, Topr: 0 to +70℃; (4)Storage Temperature, Tstg: -55 to +150℃.
Features
HD6303RP features: (1)Object Code Upward Compatible with the HD6800, HD6801, HD6802; (2)Multiplexed Bus (D0/A0-D7/A7A8-Al5), Non Multiplexed Bus (D0-D7, A0-A15); (3)Abundant On Chip Functions Compatible with the HD6301V1; 128 Bytes RAM, 13 Parallel I/O Lines, 16-bit Tinner, Serial Communication Interface (SCI); (4)Low Power Consumption Mode; Sleep Mode, Stand By Mode; (5)Minimum Instruction Execution Time, Vis, 0 67μs, 0,5ms (f=2.0MHz); (6)Bit Manipulation, Bit Test Instruction; (7)Error Detecting Function; Address Trap, Op Code Trap; (8)Up to 65k Bytes Address Space; (9)Wide Operation Range, Vcc = 3to 6V (f = 0 1 -0 5MHz) f = 0.1 to 2.0 MHz (Vcc = 5V±10%).
Diagrams

![]() |
![]() HD6303R |
![]() Other |
![]() |
![]() Data Sheet |
![]() Negotiable |
|
||||
![]() |
![]() HD6303Y |
![]() Other |
![]() |
![]() Data Sheet |
![]() Negotiable |
|
||||
![]() |
![]() HD6305U0 |
![]() Other |
![]() |
![]() Data Sheet |
![]() Negotiable |
|
||||
![]() |
![]() HD6305Y0 |
![]() Other |
![]() |
![]() Data Sheet |
![]() Negotiable |
|
||||
![]() |
![]() HD6321 |
![]() Other |
![]() |
![]() Data Sheet |
![]() Negotiable |
|
||||
![]() |
![]() HD63265 |
![]() Other |
![]() |
![]() Data Sheet |
![]() Negotiable |
|
||||
(China (Mainland))








