Product Summary
The 2SB1094 is a PNP silicon epitaxial transistor for low-frequency power amplifier.
Parametrics
2SB1094 absolute maximum ratings: (1)Collector to base voltage VCBO: -60 V; (2)Collector to emitter voltage VCEO: -60 V; (3)Emitter to base voltage VEBO: -7.0 V; (4)Collector current (DC) IC(DC): -3.0 A; (5)Collector current (pulse) IC(pulse): -5.0 A; (6)Base current (DC) IB(DC): -0.6 A; (7)Total power dissipation PT (Tc = 25℃): 15 W; (8)Total power dissipation PT (Ta = 25℃): 2.0 W; (9)Junction temperature Tj: 150℃; (10)Storage temperature Tstg: -55 to +150℃.
Features
2SB1094 features: (1)The 2SB1094 features ratings covering a wide range of applications and is ideal for power supplies or a variety of drives in audio and other equipment; (2)Mold package that does not require an insulating board or insulation bushing; (3)Complementary transistor with 2SD1585.
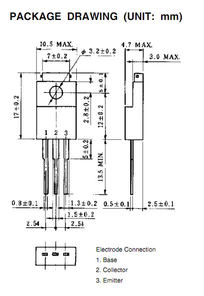
Diagrams

| Image | Part No | Mfg | Description | ![]() |
Pricing (USD) |
Quantity | ||||
|---|---|---|---|---|---|---|---|---|---|---|
![]() |
![]() 2SB1094 |
![]() Other |
![]() |
![]() Data Sheet |
![]() Negotiable |
|
||||
| Image | Part No | Mfg | Description | ![]() |
Pricing (USD) |
Quantity | ||||
![]() |
![]() 2SB1000 |
![]() Other |
![]() |
![]() Data Sheet |
![]() Negotiable |
|
||||
![]() |
![]() 2SB1000A |
![]() Other |
![]() |
![]() Data Sheet |
![]() Negotiable |
|
||||
![]() |
![]() 2SB1001 |
![]() Other |
![]() |
![]() Data Sheet |
![]() Negotiable |
|
||||
![]() |
![]() 2SB1055 |
![]() Other |
![]() |
![]() Data Sheet |
![]() Negotiable |
|
||||
![]() |
![]() 2SB1056 |
![]() Other |
![]() |
![]() Data Sheet |
![]() Negotiable |
|
||||
![]() |
![]() 2SB1057 |
![]() Other |
![]() |
![]() Data Sheet |
![]() Negotiable |
|
||||
(China (Mainland))









