Product Summary
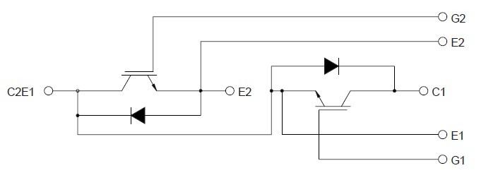
The CM300DY-12E is a Mitsubishi IGBT Module designed for use in switching applications. Each module consists of two IGBTs in a half-bridge configuration with each transistor having a reverse-connected super-fast recovery free-wheel diode. All components of the CM300DY-12E and interconnects are isolated from the heat sinking baseplate, offering simplified system assembly and thermal management.
Parametrics
CM300DY-12E absolute maximum ratings: (1)Junction Temperature Tj: -40 to 150℃; (2)Storage Temperature Tstg: -40 to 125 ℃; (3)Collector-Emitter Voltage (G-E SHORT) VCES: 600 Volts; (4)Gate-Emitter Voltage (C-E SHORT) VGES: ±20 Volts; (5)Collector Current (TC = 25℃) IC: 300 Amperes; (6)Peak Collector Current ICM: 600 Amperes; (7)Emitter Current, (TC = 25℃) IE: 300 Amperes; (8)Peak Emitter Current, IEM: 600 Amperes; (9)Maximum Collector Dissipation (TC = 25℃) Pc: 1100 Watts; (10)Mounting Torque, M5 Main Terminal: 1.47 ~ 1.96 N · m; (11)Mounting Torque, M6 Mounting: 1.96 ~ 2.94 N · m; (12)Weight: 270 Grams; (13)Isolation Voltage (Main Terminal to Baseplate, AC 1 min.) Viso: 2500 Vrms.
Features
CM300DY-12E features: (1)Low Drive Power; (2)Low VCE(sat); (3)Discrete Super-Fast Recovery Free-Wheel Diode; (4)High Frequency Operation; (5)Isolated Baseplate for Easy Heat Sinking.
Diagrams

![]() |
![]() CM3002 |
![]() Other |
![]() |
![]() Data Sheet |
![]() Negotiable |
|
||||||
![]() |
![]() CM300DU-12F |
![]() |
![]() IGBT MOD DUAL 600V 300A F SER |
![]() Data Sheet |
![]()
|
|
||||||
![]() |
![]() CM300DU-12H |
![]() |
![]() IGBT MOD DUAL 600V 300A U SER |
![]() Data Sheet |
![]()
|
|
||||||
![]() |
![]() CM300DU-12NFH |
![]() |
![]() IGBT MOD DUAL 600V 300A NFH SER |
![]() Data Sheet |
![]()
|
|
||||||
![]() |
![]() CM300DU-24F |
![]() |
![]() IGBT MOD DUAL 1200V 300A F SER |
![]() Data Sheet |
![]()
|
|
||||||
![]() |
![]() CM300DU-24H |
![]() |
![]() IGBT MOD DUAL 1200V 300A U SER |
![]() Data Sheet |
![]()
|
|
||||||
(China (Mainland))








