Product Summary
The MPX5500DP is a piezoresistive transducer state-of-the-art monolithic silicon pressure sensor designed for a wide range of applications, but particularly those employing a microcontroller or microprocessor with A/D inputs. This patented, single element transducer of MPX5500DP combines advanced micromachining techniques, thin-film metallization, and bipolar processing to provide an accurate, high level analog output signal that is proportional to the applied pressure.
Parametrics
MPX5500DP absolute maximum ratings: (1)Maximum Pressure (P2 ≤ 1 Atmosphere), P1max: 2000 kPa; (2)Storage Temperature, Tstg: -40℃ to +125℃; (3)Operating Temperature, TA: -40℃ to +125℃.
Features
MPX5500DP features: (1)2.5% Maximum Error over 0℃ to 85℃; (2)Ideally suited for Microprocessor or Microcontroller-Based Systems; (3)Patented Silicon Shear Stress Strain Gauge; (4)Durable Epoxy Unibody Element; (5)Available in Differential and Gauge Configurations.
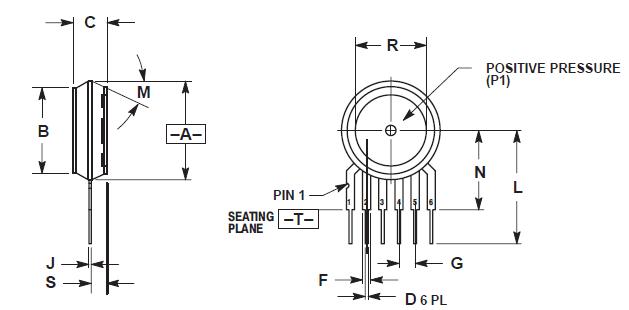
Diagrams

| Image | Part No | Mfg | Description | ![]() |
Pricing (USD) |
Quantity | ||||||||||||
|---|---|---|---|---|---|---|---|---|---|---|---|---|---|---|---|---|---|---|
![]() |
![]() MPX5500DP |
![]() Freescale Semiconductor |
![]() Board Mount Pressure / Force Sensors PRES SEN INTEG 500KPA |
![]() Data Sheet |
![]()
|
|
||||||||||||
| Image | Part No | Mfg | Description | ![]() |
Pricing (USD) |
Quantity | ||||||||||||
![]() |
![]() MPX50 |
![]() Other |
![]() |
![]() Data Sheet |
![]() Negotiable |
|
||||||||||||
![]() |
![]() MPX5010 |
![]() Other |
![]() |
![]() Data Sheet |
![]() Negotiable |
|
||||||||||||
![]() |
![]() MPX5010D |
![]() Freescale Semiconductor |
![]() Board Mount Pressure / Force Sensors PRES SEN INTEG 10KPA |
![]() Data Sheet |
![]() Negotiable |
|
||||||||||||
![]() |
![]() MPX5010DP |
![]() Freescale Semiconductor |
![]() Board Mount Pressure / Force Sensors PRES SEN INTEG 10KPA |
![]() Data Sheet |
![]()
|
|
||||||||||||
![]() |
![]() MPX5010DP1 |
![]() Freescale Semiconductor |
![]() Board Mount Pressure / Force Sensors PRES SEN INTEG 10KPA |
![]() Data Sheet |
![]() Negotiable |
|
||||||||||||
![]() |
![]() MPX5010GP |
![]() Freescale Semiconductor |
![]() Board Mount Pressure / Force Sensors PRES SEN INTEG 10KPA |
![]() Data Sheet |
![]()
|
|
||||||||||||
(China (Mainland))












