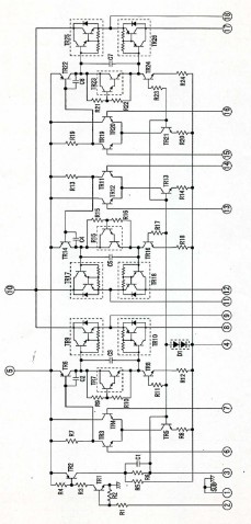
Product Summary
The STK392-560 is 18 pin power amplification module.
Parametrics
STK392-560 absolute maximum ratings: (1)supply voltage, Vcc: ±44V; (2)collector current, Ic: ±5A; (3)Thermal resistance, θj.c: 2.1℃/W; (4)junction temperature, Tj: 150℃; (5)operating IC substrate temperature, Tc: 125℃; (6)storage temperature, Tstg: -30 to 125℃.
Features
STK392-560 features: converhence correction circuit 3 channels and output muting circuit.
Diagrams

![]() |
![]() STK3042II |
![]() Other |
![]() |
![]() Data Sheet |
![]() Negotiable |
|
||||
![]() |
![]() STK3062III |
![]() Other |
![]() |
![]() Data Sheet |
![]() Negotiable |
|
||||
![]() |
![]() STK30N2LLH5 |
![]() STMicroelectronics |
![]() MOSFET N-channel 25 V 0.0024 30A Mdmesh |
![]() Data Sheet |
![]() Negotiable |
|
||||
![]() |
![]() STK311-010 |
![]() Other |
![]() |
![]() Data Sheet |
![]() Negotiable |
|
||||
![]() |
![]() STK311-020 |
![]() Other |
![]() |
![]() Data Sheet |
![]() Negotiable |
|
||||
![]() |
![]() STK311-050 |
![]() Other |
![]() |
![]() Data Sheet |
![]() Negotiable |
|
||||
(China (Mainland))









