Product Summary
The HNC025A is a kind of Hall current sensor with the features of closed loop, high accuracy, low temperature drift. And the HNC025A is used in battery supplied applications, power suppliers for welding and so on.
Parametrics
HNC025A absolute maximum ratings: (1)The typical model is worth the biggest value; (2)The sum settles the electric current IN 25 AS.T; (3)Measure the distance IP 0-36 AS.T; (4)Measure the electric resistance RM minimum 100 Ω, biggest 190Ω; (5)Biggest 0.6% of error margin(25℃s); (6)The sum settles to output the IS 26mAs; (7)Power voltage: ±15V(5% of ±); (8)The line degree <0.2%; (9)Respond to time <1 μs; (10)110 Ωs inside the time class
Features
HNC025A features: (1)Opened loop; (2)Voltage supplies; (3)Small size and space saving; (4)Very low temperature drift; (5)Wide frequency bandwidth; (6)High immunity to external interference.
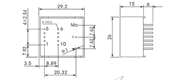
Diagrams

(China (Mainland))






