Product Summary
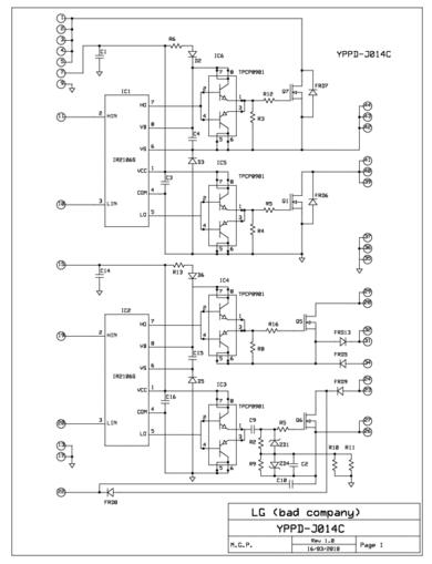
The YPPD-J014C is an IPM (Intelligent Power Module) IC. The applications of it are Inverters, Servo drives, DC Motor control, Motion Control, Servo Contol, UPS, Welding power supplies, Robotics, Forklifts, Welders, NC euipment.
Features
YPPD-J014C features: (1)Short reverse recovery time; (2)Variety of connection Menu; (3)Easy connection.
Diagrams

![]() |
![]() YPPD-J014A |
![]() Other |
![]() |
![]() Data Sheet |
![]() Negotiable |
|
||||
(China (Mainland))








