Product Summary
The FLM5359-8F is a power GaAs FET that is internally matched for standard communication bands to provide optimum power and gain in a 50 ohm system. Eudyna’ s stringent Quality Assurance Program assures the highest reliability and consistent performance.
Parametrics
FLM5359-8F absolute maximum ratings: (1)Drain-Source Voltage:15V; (2)Gate-Source Voltage:-5V; (3)Total Power Dissipation:42.8W; (4)Storage Temperature:-65 to +175℃; (5)Channel Temperature:175℃.
Features
FLM5359-8F features: (1)High Output Power: P1dB = 39.5dBm (Typ.); (2)High Gain: G1dB = 9.5dB (Typ.); (3)High PAE: nadd = 36% (Typ.); (4)Low IM3 = -46dBc@Po = 28.5dBm; (5)Broad Band: 5.3 ~ 5.9GHz; (6)Impedance Matched Zin/Zout = 50Ω.
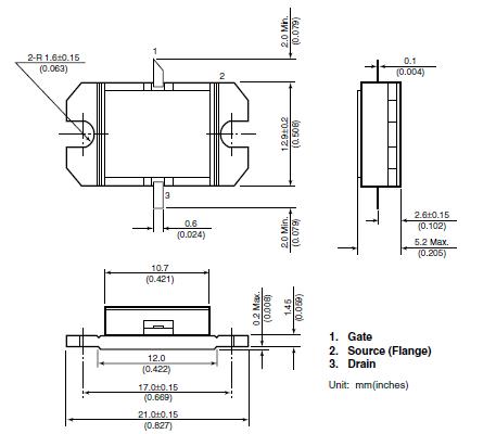
Diagrams

![]() |
![]() FLM5359-45F |
![]() Other |
![]() |
![]() Data Sheet |
![]() Negotiable |
|
||||
![]() |
![]() FLM5964-12F |
![]() Other |
![]() |
![]() Data Sheet |
![]() Negotiable |
|
||||
![]() |
![]() FLM5964-18F |
![]() Other |
![]() |
![]() Data Sheet |
![]() Negotiable |
|
||||
![]() |
![]() FLM5964-25F |
![]() Other |
![]() |
![]() Data Sheet |
![]() Negotiable |
|
||||
![]() |
![]() FLM5964-35F |
![]() Other |
![]() |
![]() Data Sheet |
![]() Negotiable |
|
||||
![]() |
![]() FLM5964-45F |
![]() Other |
![]() |
![]() Data Sheet |
![]() Negotiable |
|
||||
(China (Mainland))








