Product Summary
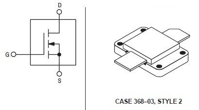
The MRF157 is a power field effect trabsistor of N-channel enhancement mode. It is designed primarily for linear large–signal output stages to 80 MHz. The physical structure of a MOSFET results in capacitors between the terminals. The metal oxide gate structure determines the capacitors from gate–to–drain (Cgd), and gate–to–source (Cgs). The PN junction formed during the fabrication of the TMOS) FET results in a junction capacitance from drain–to–source (Cds).
Parametrics
Absolute maximum ratings:(1)Drain–Source Voltage, VDSS: 125Vdc; (2)Drain–Gate Voltage, VDGO: 125Vdc; (3)Gate–Source Voltage, VGS: ±40Vdc; (4)Drain Current — Continuous, ID: 60Adc; (5)Total Device Dissipation at TC = 25℃, PD: 1350Watts; (6)Total Device Dissipation at Derate above 25℃, PD: 7.7W/℃; (7)Storage Temperature Range, Tstg: –65 to +150℃; (8)Operating Junction Temperature, TJ: 200℃.
Features
Features: (1)Specified 50 Volts, 30 MHz; (2)Output Power = 600 Watts; (3)Power Gain = 21 dB (Typ); (4)Efficiency = 45% (Typ).
Diagrams

| Image | Part No | Mfg | Description | ![]() |
Pricing (USD) |
Quantity | ||||||||
|---|---|---|---|---|---|---|---|---|---|---|---|---|---|---|
![]() |
![]() MRF157 |
![]() M/A-COM Technology Solutions |
![]() Transistors RF MOSFET Power 5-80MHz 600Watts 50Volt Gain 21dB |
![]() Data Sheet |
![]()
|
|
||||||||
![]() |
![]() MRF1570FNT1 |
![]() Freescale Semiconductor |
![]() Transistors RF MOSFET Power RF LDMOS TO272-6N FLAT |
![]() Data Sheet |
![]()
|
|
||||||||
![]() |
![]() MRF1570FT1 |
![]() Other |
![]() |
![]() Data Sheet |
![]() Negotiable |
|
||||||||
![]() |
![]() MRF1570T1 |
![]() Other |
![]() |
![]() Data Sheet |
![]() Negotiable |
|
||||||||
![]() |
![]() MRF1570NT1 |
![]() Freescale Semiconductor |
![]() Transistors RF MOSFET Power RF LDMOS TO272-6N FORMED |
![]() Data Sheet |
![]()
|
|
||||||||
(China (Mainland))










