Product Summary
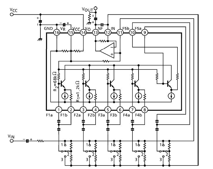
The TA7796PG is a 5-band graphic equalizer IC, which has 5 resonance circuit and an output buffer amplifier. 5 band graphic equalizer for one channel can be formed easily by externally connecting capacitors and variable resistors which fix fo(resonance frequency).
Parametrics
TA7796PG absolute maximum ratings: (1)SUpply voltage, VCC: 16V; (2)Power dissipation, PD: 750mW; (3)Operating temperature, TOPR: -30 to +75℃; (4)Storage temperature, TSTG: -55 to +150℃.
Features
TA7796PG features: (1)Few external parts; (2)Low distortion: THD=0.007% typ; (3)Low noise: Vno=3.0μVrms typ; (4)Wide operating supply voltage range: VCC=4.0 to 16V(TA= 25℃).
Diagrams

![]() |
![]() TA7738P |
![]() Other |
![]() |
![]() Data Sheet |
![]() Negotiable |
|
||||
![]() |
![]() TA7745F |
![]() Other |
![]() |
![]() Data Sheet |
![]() Negotiable |
|
||||
![]() |
![]() TA7761P |
![]() Other |
![]() |
![]() Data Sheet |
![]() Negotiable |
|
||||
![]() |
![]() TA7765AF |
![]() Other |
![]() |
![]() Data Sheet |
![]() Negotiable |
|
||||
![]() |
![]() TA7766AF |
![]() Other |
![]() |
![]() Data Sheet |
![]() Negotiable |
|
||||
![]() |
![]() TA7774F |
![]() Other |
![]() |
![]() Data Sheet |
![]() Negotiable |
|
||||
(China (Mainland))








